如果您需要建立濕度校準系統,需要考慮哪些因素來選擇合適的校準。本篇文章則介紹需要哪些設備來搭建濕度校準系統。
氣源:
露點校準系統需要清潔干燥的壓縮空氣才能正常工作。所需的空氣規格因所選變壓干燥機的型號而異,但通常應在約7 barg(100 psig)的壓力下。對于設計用于產生小于-80°C(小于-112°F)露點的校準系統(通常是使用PSD4),需要將供氣預干燥至小于-40°C(小于-40°F)露點,以大限度地提高變壓干燥機的效率。
對于現場沒有現成壓縮空氣或儀表空氣供應的用戶,密析爾可提供適用于各種類型系統的壓縮機和用于小于-80°Cdp(-112°Fdp)系統一起使用的預干燥機。
變壓干燥機:
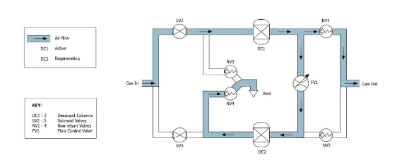
密析爾的空氣干燥機根據“變壓吸附”原理運行,兩個干燥劑柱并聯連接。來自干燥機入口的壓縮空氣通過一個干燥劑柱,以去除幾乎所有存在的水分。來自該干燥柱的干燥空氣被部分增加以進一步降低露點,然后被導入干燥器出口。剩余的干燥空氣用于吹掃二個離線干燥劑柱,將其在線循環過程中收集的水分吹掃到大氣中。
在預先確定的時間段后,兩個干燥劑柱的功能切換——一個重新生成,而二個在線,產生干燥空氣流。作為轉換的一部分,離線柱迅速減壓,從而釋放并清除干燥劑吸附的水分。該操作的一個循環如下圖所示。
干燥機需要維護,在正常操作條件下,大約每5年只需要更換一次干燥劑。高笑的凈化/再生系統使干燥機在整個干燥劑使用壽命內以相同的高性能水平運行。

我們提供兩種型號的干燥機:
密析爾SF82露點儀的空氣露點輸出為-80℃(-112℉)或更高。
密析爾EA2-TX-100露點儀的空氣露點輸出為-100°Cdp(-148°Fdp)或更高。
露點發生器:
干氣源從變壓干燥機輸送至發生器,并分成兩股氣流。一股氣流通過燒結玻璃噴嘴在液態水中鼓泡,確保水蒸氣完全飽和,而另一股氣流保持干燥。然后在大氣壓力下,在單級或多級過程中將兩股氣流混合,以產生目標濕度水平。整個外殼是絕緣的,溫度控制確保飽和,因此輸出總是一致的。
單級混合提供粗略調整,限制在-40°Cdp(-40°Fdp)左右。為了產生干燥露點,一階段的輸出再次與干燥氣源混合,為低水分含量(低至-75°Cdp(-103°Fdp))提供更精細的調整。對于微量水分,可添加第三級,其中二級的輸出再次與干氣源混合,從而產生低至-90°Cdp(-130°Fdp)的露點。-100°C(-148°F)露點直接取自干燥機的輸出。
密析爾DG系列露點發生器基于干氣和濕氣的體積混合。與其他露點生成技術(如雙溫雙壓法等)相比,在設定點之間進行更改時,這會提供快的響應。混合由流量計量閥控制,用于手動控制目標露點,或使用一組預設計量閥進行自動控制,通過驅動電磁閥組合在不同的干濕混合比之間切換來選擇。
手動混合–DG2&DG3:
流量表、按鍵或全電腦控制使用方式不同,可分為手動型和自動型濕度發生器。
采用手動單級混合的DG3產生的露點范圍為-40至+20°Cdp(-40至+68°Fdp)。DG2具有氣流混合的二階段,可達到干燥露點-75°Cdp(-103°Fdp)。DG2和DG3的大優點是易于使用,并且通過流量計量閥微調氣體混合物,在手動生成準確的目標露點方面具有靈活性。發生器隨附標稱流量表,以指導用戶為每個所需設定點適當設置計量閥。
自動混合–DG4:
DG4使用帶有校準針閥的兩級流量混合系統,針閥由電磁閥驅動器控制,以準確的預先計量比例混合干燥空氣和飽和空氣。這允許產生-75至+20°C(-103至+68°F)的露點水平范圍。可在訂購時指定預設的確切數量(通常選擇11個),在整個范圍內提供+10°Cdp(+18°Fdp)間隔。發生器可由計算機軟件、RS232接口或通過前面板手動超控開關驅動。
自動混合–VDS:
要產生低至-100°C(-148°F)的露點,需要更復雜的系統。軟件控制的蒸汽輸送系統(VDS)發生器對生成的露點進行準確、可重復和靈活的控制。單獨的三級質量流量控制器可選擇濕空氣和預混合空氣的準確比例。VDS可發生-100℃dp至+20℃dp。
濕度注入由液體質量流量控制器和受控蒸發系統實現。整個系統由專用PC軟件控制,允許創建自動校準程序,或手動觸發設定點。
基準儀器:
密析爾推出的冷鏡基準儀系列具有與每個不同相對濕度和露點發生器選項的性能相匹配的測量能力。高精度基準是執行可追溯、可靠校準的必要條件。

所有密析爾冷鏡產品的環境溫度測量精度為±0.1°C(±0.18°F)。當校準參數為相對濕度時,還需要測量環境溫度,作為從露點確定此值的方程式的另一個輸入:蒸汽壓通過求解當前露點溫度的Sonntag(1990)公式確定。通過在環境溫度下重復該過程得到飽和蒸汽壓,從而得到%rh的相對濕度。